75823S RUVILLE Шарнирный комплект, приводной вал
Производитель: RUVILLE
Артикул: 75823S
Доставка
- Самовывоз из офиса: бесплатно ( схема проезда )
срок выполнения заказа: от 1 до 5 часов. - Доставка по г. Минску: 7.00 р.
доставим с 19:00 до 21:00, при заказе до 16:00. (пн-пт)
Возврат
Возврат в течении 14 дней с момента покупки, при сохранении товарного вида
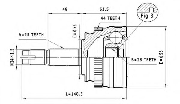
| Параметр | Значение |
|---|---|
| Внешнее зацепление со стороны колеса | 25 |
| Внутренне зубчатое соединение со стороны колеса | 28 |
| Диаметр прокладки [мм] | 56 |
| Наружный диаметр [мм] | 98 |
| Тип соединения / сочленения | Шарнир равных угловых скоростей |
| Число зубцов кольца ABS | 44 |
| Бренд | Связанные номера | Тип номера |
|---|---|---|
| ALFA ROMEO | 60541802* | Оригинальный |
| ALFA ROMEO | 60809609 | Оригинальный |
| 40 11442 42336 0 | Штрих код (EAN) |
| Бренд | Модель | Двигатель | Мощность | Год выпуска | Топливо |
|---|---|---|---|---|---|
| ALFA ROMEO | 155 (167) 2.0 16V Turbo Q4 | AR 67203 | 140 Кв - 190 Лс | 92 - 97 | бензин |
| ALFA ROMEO | 155 (167) 2.0 16V Turbo Q4 (167.A2B, 167.A2C, 167.A2E) | AR 67203 | 137 Кв - 186 Лс | 92 - 97 | бензин |
| ALFA ROMEO | 155 (167) 2.5 TD (167.A1A) | VM 07 B | 92 Кв - 125 Лс | 93 - 97 | Дизель |
| ALFA ROMEO | 155 (167) 2.5 TD (167.A1A) | VM 31 B | 92 Кв - 125 Лс | 93 - 97 | Дизель |
| ALFA ROMEO | 155 (167) 2.5 V6 (167.A1) | AR 67301 | 121 Кв - 165 Лс | 92 - 96 | бензин |
| ALFA ROMEO | 155 (167) 2.5 V6 (167.A1C, 167.A1E) | AR 67302 | 120 Кв - 163 Лс | 92 - 97 | бензин |
| ALFA ROMEO | 155 (167) 2.5 V6 (167.A1C, 167.A1E) | AR 67303 | 120 Кв - 163 Лс | 92 - 97 | бензин |
| ALFA ROMEO | GTV (916C_) 2.0 V6 Turbo (916.C2A) | AR 16202 | 148 Кв - 202 Лс | 95 - 98 | бензин |
| ALFA ROMEO | GTV (916C_) 3.0 V6 24V (916.C1) | AR 16102 | 162 Кв - 220 Лс | 96 - 00 | бензин |
| ALFA ROMEO | SPIDER (916_, 916S_) 2.0 V6 Turbo (916S2A) | AR 16202 | 148 Кв - 202 Лс | 98 - 05 | бензин |
| ALFA ROMEO | SPIDER (916_, 916S_) 3.0 V6 (916S1) | AR 16101 | 141 Кв - 192 Лс | 95 - 05 | бензин |
| ALFA ROMEO | SPIDER (916_, 916S_) 3.0 V6 (916S1B00) | AR 16105 | 160 Кв - 218 Лс | 94 - 00 | бензин |
| Бренд | Модель | Двигатель | Мощность | Год выпуска | Топливо |
|---|---|---|---|---|---|
| FIAT | COUPE (FA/175) 2.0 16V Turbo | 175 A1.000 | 140 Кв - 190 Лс | 93 - 96 | бензин |
| FIAT | COUPE (FA/175) 2.0 20V Turbo | 175 A3.000 | 162 Кв - 220 Лс | 96 - 00 | бензин |
| FIAT | MAREA (185) 2.4 TD 125 | 185 A2.000 | 91 Кв - 125 Лс | 96 - 99 | Дизель |
| FIAT | MAREA Weekend (185) 2.4 TD 125 | 185 A2.000 | 91 Кв - 125 Лс | 96 - 99 | Дизель |
| Нал. | Срок | Цена |
|---|
О производителе RUVILLE
| Название: | EGON VON RUVILLE GMBH |
| Адрес: | 22113, Германия, Hamburg, Billbrookdeich 112 |
| Телефон: | 040 / 7 33 44 - 0 |
| Факс: | 040 / 7 33 44 - 199 |
| Email: | info@ruville.de |
| Сайт: | www.ruville.de |
