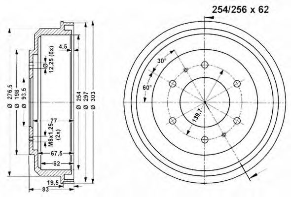
| | Тормозной барабан Внутрен. высота торм. барабана [мм] : 67,5 Диаметр барабана : 254,0 Диаметр фаски 2 [мм] : 139,7 Количество отверстий : 6 Макс. размер расточки тормозного барабана [мм] : 256 Сторона установки : Задний мост Показать больше свойств | |
| | Тормозной барабан Внутрен. высота торм. барабана [мм] : 67,5 Диаметр барабана : 254,0 Диаметр фаски 2 [мм] : 139,7 Количество отверстий : 6 Макс. размер расточки тормозного барабана [мм] : 256 Показать больше свойств | |
| | Тормозной барабан Внутрен. высота торм. барабана [мм] : 62,5 Диаметр [мм] : 254 Диаметр фаски 2 [мм] : 75 для артикула № : 7D0488 Количество отверстий 1 : 5 Количество отверстий 2 : 2 Общ. высота торм. барабана [мм] : 70,5 Показать больше свойств | |
| | Тормозной барабан Внутрен. высота торм. барабана [мм] : 67,5 Диаметр барабана : 254,0 Диаметр фаски 2 [мм] : 139,7 Количество отверстий : 6 Макс. размер расточки тормозного барабана [мм] : 256 Показать больше свойств | |
| | Тормозной барабан Внутренний диаметр : 108 Высота [мм] : 93,8 Количество отверстий : 6 Наружный диаметр [мм] : 331 Сторона установки : Задний мост Толщина тормозного диска (мм) : 270 Показать больше свойств | |
| | Тормозной барабан Сторона установки : Задний мост | |
| | Тормозной барабан Диаметр [мм] : 272 Диаметр барабана : 270 Количество крепежных отверстий : 6 Наружный диаметр [мм] : 330 Общая высота [мм] : 94 Ширина (мм) : 78 Показать больше свойств | |
| | Тормозной барабан Внутрен. высота торм. барабана [мм] : 67,5 Диаметр барабана : 254,0 Диаметр фаски 2 [мм] : 139,7 Количество отверстий : 6 Макс. размер расточки тормозного барабана [мм] : 256 Показать больше свойств | |